SSD 是目前计算机中常见的存储设备之一,一些 SSD 中会配备 DRAM,你知道什么是 DRAM 吗?下面就带大家来了解一下。
DRAM 全称为 Dynamic Random-Access Memory,是一种动态随机存取存储器。与另一种类型的内存 SRAM(静态随机存取存储器)不同,DRAM 通过电容器存储数据。因为电容器的电荷会随着时间逐渐消失,DRAM 中的数据需要不断刷新,这种特性被称为“动态”。因此 DRAM 的能耗较高,但其存储密度较高,成本也较低,是大多数电子设备的首选内存类型。

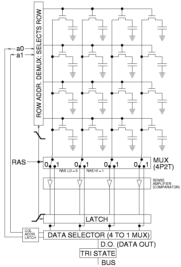
DRAM 是如何工作的呢?DRAM 的工作原理是基于电容器和晶体管的组合,每个存储单元由一个电容和一个晶体管组成,下面是 DRAM 的基本工作流程:
数据存储:当电容中充满电荷时表示“1”,没有电荷时表示“0”,这即为二进制的存储方式。
数据读取:读取过程涉及检测电容器中是否有电荷,如果有电荷就读取为“1”,如果没有电荷则读取为“0”。
数据刷新:因为电容中的电荷会自然泄露,DRAM 需要定期刷新(通常每隔几毫秒一次),以确保数据不丢失,正因为需要不断刷新,DRAM 相比于 SRAM 等内存类型的能耗要更高。

DRAM 存储的优点有哪些呢?下面总结了它的三处优点:
高速数据访问:DRAM 具有较快的数据读取和写入速度,能够支持现代计算机、手机、平板等设备对内存的大量需求。在处理多任务或运行复杂应用时,DRAM 的高速度表现尤为明显。
高存储密度:由于其结构相对简单,DRAM 可以在较小的芯片中实现更多的存储单元,从而实现高存储密度。相比其他存储类型,DRAM 可以在单位面积中存储更多的数据,适合应用于大容量存储的场景。
成本相对较低:与同等速度和容量的内存类型相比,DRAM 的制造成本较低,因此它成为各类设备中的首选内存。这种低成本特点使得 DRAM 在消费类电子产品中广泛应用。
DRAM 作为现代存储器的重要组成部分,广泛应用于电脑、手机、显卡等领域。由于它比较高的存储密度和较低的成本以及高速存取让它成为主流选择。
本文编辑:@ 小小辉
©本文著作权归电手所有,未经电手许可,不得转载使用。